MÁY DÁN KEO TỐC ĐỘ CAO GK-AS650C / 800C / 1100C – “CHIẾN BINH TĂNG TỐC” CHO NHÀ MÁY BAO BÌ HIỆN ĐẠI
Bạn đang tìm một giải pháp dán hộp nhanh – ổn định – dễ vận hành để xử lý đơn hàng liên tục mà vẫn đảm bảo chất lượng?
👉 GK-AS Series chính là câu trả lời. Đây không chỉ là một chiếc máy dán keo thông thường, mà là hệ thống dán hộp tốc độ cao tối ưu toàn diện, giúp doanh nghiệp tăng năng suất, giảm chi phí và nâng cao tính chuyên nghiệp trong sản xuất.

🔥 TẠI SAO GK-AS SERIES ĐANG ĐƯỢC “SĂN ĐÓN” TRONG NGÀNH BAO BÌ?
Giữa hàng loạt thiết bị trên thị trường, GK-AS nổi bật nhờ:
⚡ Tốc độ lên đến 300 m/phút
🧠 Điều khiển PLC thông minh
⚙️ Truyền động ổn định bằng dây đai đồng bộ
👨🏭 Vận hành đơn giản – kiểm soát dễ dàng
👉 Đây là dòng máy “quốc dân” cho các xưởng bao bì từ vừa đến lớn.
⚙️ CẤU TRÚC MẠNH MẼ – VẬN HÀNH ỔN ĐỊNH 24/7
🏗️ KHUNG MÁY CHẮC CHẮN – CHỐNG RUNG TỐI ĐA
🛡️ Khung thép không gỉ cao cấp
🔇 Giảm rung, giảm ồn khi chạy tốc độ cao
⏱️ Hoạt động bền bỉ trong thời gian dài
🔄 TRUYỀN ĐỘNG DÂY ĐAI ĐỒNG BỘ
⚡ Tốc độ cao nhưng vẫn mượt
🎯 Đảm bảo độ chính xác khi gấp – dán
🔧 Ít hao mòn – dễ bảo trì
🚀 HIỆU SUẤT CAO – TĂNG NĂNG SUẤT NGAY LẬP TỨC
⚡ TỐC ĐỘ 300 M/PHÚT – XỬ LÝ ĐƠN HÀNG LỚN DỄ DÀNG
📦 Đáp ứng sản xuất liên tục
⏱️ Rút ngắn thời gian giao hàng
💰 Tăng doanh thu nhanh chóng
🎯 ĐỘ CHÍNH XÁC ỔN ĐỊNH
👁️ Cảm biến quang điện kiểm soát
📐 Gấp chuẩn – dán chắc – không lệch
🧾 Thành phẩm đồng đều, chuyên nghiệp
🧠 HỆ THỐNG ĐIỀU KHIỂN THÔNG MINH – DỄ DÀNG LÀM CHỦ
📲 PLC + MÀN HÌNH CẢM ỨNG HIỆN ĐẠI
⚙️ Cài đặt tốc độ, số lượng, chế độ
📊 Hiển thị sản lượng theo thời gian thực
🔍 Báo lỗi nhanh chóng
📡 CHẨN ĐOÁN LỖI TỰ ĐỘNG
🚨 Cảnh báo sự cố tức thì
🛠️ Giảm thời gian dừng máy
🌐 Hỗ trợ điều khiển từ xa
👉 Kết quả: vận hành dễ – kiểm soát chặt – tối ưu hiệu quả
🎯 KHẢ NĂNG GẤP – DÁN LINH HOẠT NHIỀU LOẠI HỘP
📦 ỨNG DỤNG ĐA DẠNG
Hộp thực phẩm 🍱
Hộp dược phẩm 💊
Hộp mỹ phẩm 💄
Văn phòng phẩm 📚
🧩 CÁC KIỂU HỘP PHỔ BIẾN
Hộp đường thẳng
Hộp khóa đáy
Hộp pre-fold
👉 Một máy – xử lý nhiều loại sản phẩm.
🔧 THIẾT KẾ THÂN THIỆN – NGƯỜI MỚI CŨNG DỄ VẬN HÀNH
👨🏭 CHỈ CẦN 1 NGƯỜI ĐIỀU KHIỂN
Giao diện trực quan
Thao tác đơn giản
Đào tạo nhanh
⚙️ ĐIỀU KHIỂN ĐỘC LẬP PHẦN NẠP GIẤY
📄 Cấp giấy ổn định
🎯 Dễ kiểm soát
🚀 Tăng hiệu quả tổng thể
💰 LỢI ÍCH KINH TẾ – ĐẦU TƯ 1 LẦN, SINH LỜI DÀI HẠN
📉 GIẢM NHÂN CÔNG
→ Tự động hóa cao
⚡ TIẾT KIỆM NĂNG LƯỢNG
→ Động cơ hiệu suất cao
🔧 GIẢM CHI PHÍ BẢO TRÌ
→ Thiết kế bền bỉ
👉 Đây là thiết bị giúp bạn tối ưu chi phí – tăng lợi nhuận rõ rệt.
📊 THÔNG SỐ KỸ THUẬT CHI TIẾT
|
Thông số |
GK-AS650C |
GK-AS800C |
GK-AS1100C |
||||||
|
Nguyên liệu |
Carton 210–800gsm, sóng E/N/F |
Carton 210–800gsm |
Carton 210–800gsm |
||||||
|
Tốc độ tối đa |
300 m/phút |
300 m/phút |
300 m/phút |
||||||
|
Độ dày hộp tối đa |
12 mm |
12 mm |
12 mm |
||||||
|
Kiểu gấp |
1&3: 180°, 2&4: 180° |
1&3: 180°, 2&4: 180° |
1&3: 180°, 2&4: 180° |
||||||
|
Điện áp |
3P 380V 50Hz |
3P 380V 50Hz |
3P 380V 50Hz |
||||||
|
Khổ giấy tối đa |
650 mm |
800 mm |
1100 mm |
||||||
|
Kích thước máy |
11.5×1.3×1.45 m |
11.5×1.5×1.45 m |
11.5×1.8×1.45 m |
||||||
|
Trọng lượng |
3 tấn |
3.5 tấn |
4.5 tấn |
||||||
|
Công suất |
11.2 kW |
12.7 kW |
12.7 kW |
||||||
|
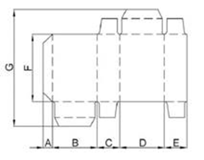
Đường thẳng Hộp Carton loại và Kích thước: |
|
||||||||
|
Mô hình |
650 loại |
800 loại |
1100 loại |
||||||
|
Cách của gấp |
Hai hãng |
Hai hãng |
Hai/Ba hãng |
||||||
|
B + C + D + E |
130-650 |
130-800 |
130/280-1100 |
||||||
|
C + D(Min) |
65 |
65 |
65/140 |
||||||
|
F |
70-700 |
70-700 |
70-700 |
||||||
|
G(Max) |
700 |
700 |
700 |
||||||
|
Prefolding |
|||||||||
|
D + E(Max) |
300 |
300 |
300 |
||||||
|
G(Max) |
400 |
400 |
400 |
||||||
(Cuối cùng gấp bởi tàu sân bay: B + C + D + E min ăn chiều rộng 75mm)
|
Tai nạn Khóa Dưới Hộp Carton loại và Kích thước: |
|
|||
|
Mô hình |
650 loại |
800 loại |
1100 loại |
|
|
Cách của gấp |
Hai hãng |
Hai hãng |
Hai/Ba hãng |
|
|
B + C + D + E |
130-650 |
130-800 |
130/280-1100 |
|
|
C + D(Min) |
65 |
65 |
65/140 |
|
|
F |
70-700 |
70-700 |
70-700 |
|
|
G(Max) |
700 |
700 |
700 |
|
|
H(Min) |
25 |
25 |
25 |
|
|
L(Max) |
30-100 |
30-100 |
30-100 |
|
🏆 DOANH NGHIỆP NHẬN ĐƯỢC GÌ?
🚀 TĂNG NĂNG SUẤT NGAY LẬP TỨC
→ Xử lý đơn hàng nhanh chóng
📦 CHẤT LƯỢNG ỔN ĐỊNH
→ Thành phẩm đẹp – đồng đều
💼 NÂNG TẦM SẢN XUẤT
→ Tăng uy tín với khách hàng
⚠️ THỊ TRƯỜNG KHÔNG CHỜ ĐỢI – BẠN CŨNG KHÔNG NÊN
Những doanh nghiệp đầu tư đúng thiết bị sẽ:
⚡ Đi nhanh hơn
💰 Lợi nhuận cao hơn
🏆 Chiếm thị trường trước
👉 Bạn có muốn trở thành một trong số đó?
📞 LIÊN HỆ NGAY – NHẬN GIẢI PHÁP PHÙ HỢP NHẤT
🔥 Đừng để cơ hội trôi qua!
👉 Liên hệ ngay để:
📌 Tư vấn model phù hợp
📌 Báo giá tốt nhất
💬 Inbox / Gọi ngay hôm nay – tăng tốc sản xuất của bạn ngay lập tức!
🎯 KẾT LUẬN
GK-AS650C / 800C / 1100C là lựa chọn lý tưởng nếu bạn cần:
⚡ Tốc độ cao
🎯 Độ chính xác ổn định
🧠 Điều khiển thông minh
💰 Hiệu quả kinh tế lâu dài
👉 Một khoản đầu tư – thay đổi toàn bộ năng lực sản xuất.






























